Společnost Athena Engineering S.r.l.
Společnost Athena Engineering S.r.l.
Zprávy

Uživatelská příručka pro fluoroplastické magnetické pumpy

2025-10-27 0 Nechte mi zprávu

Fluoroplastová magnetická čerpadla přenášejí energii přes magnetické spojky, čímž dosahují úplného hermetického utěsnění s nulovým únikem. Když motor pohání vnější magnetickou ocel magnetické spojky do otáčení, magnetické siločáry procházejí mezerou a izolačním pouzdrem, aby působily na vnitřní magnetickou ocel, což umožňuje rotoru čerpadla otáčet se synchronně s motorem a přenášet točivý moment bez mechanického kontaktu. Vzhledem k tomu, že kapalina je uzavřena v izolačním pouzdru, únik materiálu je zcela eliminován, což snižuje znečištění, šetří energii, čistí životní prostředí a chrání fyzické a duševní zdraví pracovníků na místě.

Klíčové vlastnostiFluoroplastická magnetická čerpadla

1. Vnitřní obložení čerpadla, vnitřní rotor oběžného kola a izolační pouzdro jsou všechny integrálně vylisovány z čistého materiálu F46 bez srážení nečistot, takže jsou velmi vhodné pro přepravu vysoce čistých a vysoce korozivních chemických kapalin.

2. Skříň čerpadla je vyrobena z tvárné litiny, navržená v souladu s národními standardními přírubami. Vyznačuje se vynikající mechanickou pevností a odolá velkému zatížení potrubí.

3. Průtokové komponenty jsou potaženy materiálem F46, mají hladké průtokové kanály, vynikající hydraulický výkon, nízké hydraulické ztráty třením a vysokou účinnost.

4. Hřídel čerpadla, pouzdro ložiska a dynamické/statické kroužky jsou vyrobeny z beztlakého slinutého karbidu křemíku, který vykazuje vysokou tvrdost, vysokou odolnost proti opotřebení a vysokou odolnost proti korozi.

5. Jedinečný design spirálové drážky uvnitř pouzdra ložiska usnadňuje mazání páru kluzných ložisek a účinně odvádí teplo vznikající třením během provozu čerpadla.

6. Vně izolační objímky je přidán výztužný kryt vyrobený z importovaného materiálu z uhlíkových vláken, který umožňuje čerpací jednotce odolat vyššímu tlaku v systému a eliminuje teplo generované magnetickými vířivými proudy v kovových pouzdrech.

7. Vnitřní a vnější magnety jsou vyrobeny z materiálu neodym-železo-bor s povrchovou hustotou magnetického toku až 3600 Gaussů. To umožňuje plynulý přenos točivého momentu hlavního hnacího motoru na oběžné kolo bez prokluzu i za podmínek vysokého průtoku, čímž se zabrání kontaktu mezi vnitřním rotorem oběžného kola a zadním přítlačným kroužkem. Tím se zabrání roztavení fluoroplastových součástí v důsledku třecího tepla, což zajišťuje stabilní provoz magnetického čerpadla ve vysoce korozivním prostředí.

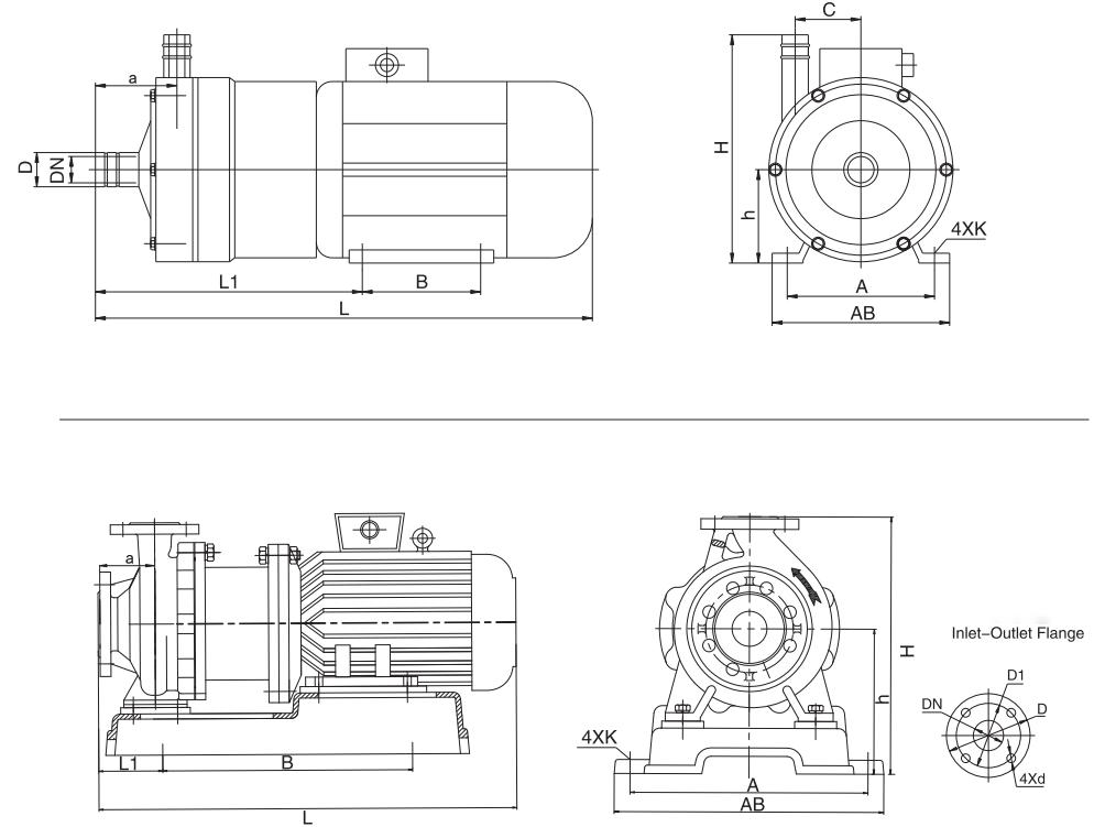
8. Celá čerpací jednotka má zadní konstrukci, která umožňuje jedné osobě provádět vnitřní údržbu a výměnu dílů bez rozebírání potrubí, což zajišťuje pohodlnou údržbu.

Magnetic pump product pictures


Specifikace instalace a uvedení do provozu pro magnetická čerpadla s fluorovou vložkou

1. Magnetická čerpadla by měla být instalována vodorovně a ne svisle. Pro zvláštní případy vyžadující vertikální instalaci musí motor směřovat nahoru.

2. Když je hladina nasávané kapaliny vyšší než osa hřídele čerpadla, před spuštěním jednoduše otevřete ventil sacího potrubí. Pokud je hladina nasávané kapaliny níže než osa hřídele čerpadla, musí být v potrubí instalován patní ventil.

3.Před spuštěním čerpadla proveďte kontroly: lopatky ventilátoru motoru by se měly pružně otáčet bez zadrhávání nebo abnormálního hluku; všechny upevňovací prvky musí být bezpečně utaženy.

4.Ověřte, že směr otáčení motoru odpovídá značce otáčení na magnetickém čerpadle.

5.Po spuštění motoru pomalu otevřete vypouštěcí ventil. Jakmile se čerpadlo dostane do stabilního provozního stavu, nastavte výtlačný ventil na požadovaný otvor.

6.Před zastavením čerpadla nejprve uzavřete výtlačný ventil a poté vypněte napájení.

Opatření pro používání fluoroplastických magnetických pump

Zde je několik tipů pro použití magnetických pump. Jejich pochopení pomůže zajistit jejich bezpečnější a efektivnější provoz:

Například ložiska čerpadla se při chlazení a mazání zcela spoléhají na dopravované médium. Takže běh na sucho je přísně zakázán. Také se vyhněte chodu naprázdno při restartování po výpadku proudu během provozu, jinak by mohlo dojít k snadnému poškození součástí.

Pokud jsou v dopravovaném médiu pevné částice, nezapomeňte na vstup čerpadla nainstalovat filtrační síto. V případě železných částic musí být vybaven magnetickým filtrem, který zabrání poškození tělesa čerpadla nečistotami.

Okolní teplota během používání by neměla překročit 40 °C a nárůst teploty motoru by neměl překročit 75 °C, jinak to může ovlivnit životnost.

Kromě toho musí dopravované médium a jeho teplota odpovídat materiálovým požadavkům čerpadla. Obecně lze říci, že je vhodný pro dopravu kapalin s teplotou pod 100°C, bez tvrdých částic a vláken. Maximální pracovní tlak systému by neměl překročit 1,0 MPa, hustota kapaliny by neměla být větší než 1300 kg/m³ a viskozita by neměla být větší než 30 cm²/s. Pro zvláštní případy je třeba dodržovat zvláštní dohody.

Pokud je dopravovaná kapalina náchylná ke srážení a krystalizaci, nezapomeňte po použití včas vyčistit těleso čerpadla a vypustit veškerou nahromaděnou kapalinu uvnitř, aby nedošlo k ucpání.

Po 1000 hodinách normálního provozu je lepší zkontrolovat opotřebení ložisek a dynamických kroužků čela. Nespokojte se s opotřebovanými zranitelnými částmi; pro zajištění výkonu je nutná včasná výměna.

Ještě jedna připomínka: Magnetická spojka v magnetické pumpě používá vysoce výkonné materiály s permanentními magnety, které mohou ovlivnit některá citlivá zařízení, jako jsou kardiostimulátory, magnetické karty, mobilní telefony a hodinky. Nezapomeňte si od nich udržovat určitý odstup.

Konečně napájecí napětí by mělo být stabilní a ne příliš vysoké. U čerpadel s výkonem vyšším než 18,5 kW se doporučuje instalovat zařízení pro frekvenční měnič nebo autotransformátorové snižovací zařízení, které může lépe chránit motor.

Poruchy a způsoby odstraňování problémů




Typ poruchy Příčiny Metody odstraňování problémů
Žádné vypouštění vody 1. Opačný chod čerpadla2. Únik vzduchu v sacím potrubí3. Nedostatek vody v komoře čerpadla4. Příliš vysoké napětí způsobující prokluzování spojky během spouštění5. Příliš vysoká sací výška6. Ventil není otevřen 1. Upravte kabeláž motoru2. Odstraňte únik vzduchu 3. Zvyšte objem vody v komoře čerpadla4. Upravte napětí 5. Snižte instalační polohu čerpadla6. Opravte nebo vyměňte ventil
Nedostatečný průtok 1. Příliš malý nebo ucpaný průměr sacího potrubí2. Zablokovaný průtokový kanál oběžného kola3. Příliš vysoká hlava 4. Opotřebení oběžného kola 1. Vyměňte nebo vyčistěte sací potrubí2. Vyčistěte oběžné kolo 3. Otevřete vodovodní ventil více4. Vyměňte oběžné kolo
Nízká hlava 1. Příliš vysoký průtok2. Příliš nízká rychlost otáčení 1. Snižte otevření vypouštěcího ventilu2. Obnovte jmenovité otáčky
Nadměrný hluk 1. Silné opotřebení hřídele2. Silné opotřebení ložisek 3. Kontakt mezi vnější/vnitřní magnetickou ocelí a izolační objímkou4. Broušení těsnicího kroužku a oběžného kola proti sobě5. Nestabilní podpěra potrubí6. Kavitace 1. Vyměňte ložisko2. Vyměňte hřídel 3. Demontujte a znovu namontujte hlavu čerpadla4. Vyměňte přítlačný kroužek a těsnicí kroužek5. Stabilizujte potrubí6. Snižte stupeň vakua
Únik kapaliny Poškozený O-kroužek Vyměňte O-kroužek

Teffiko: Italská řemeslná volba v oblasti fluoroplastických magnetických čerpadel

Při výběru a použití fluoroplastových magnetických čerpadel je pro zajištění bezpečné a efektivní výroby rozhodující výběr značky se silnými technickými schopnostmi, spolehlivou kvalitou a průmyslovými zkušenostmi.Teffiko, italská značka, je v tomto oboru důvěryhodnou volbou. Ať už potřebujete stabilní výstup za standardních pracovních podmínek nebo přizpůsobená řešení pro speciální média, společnost Teffiko může poskytnout spolehlivou podporu svými profesionálními produkty a službami, díky čemuž je vynikajícím partnerem pro aplikace fluoroplastových magnetických čerpadel v průmyslové výrobě.





Související novinky
Nechte mi zprávu
  • BACK TO ATHENA GROUP
  • X
    Používáme cookies, abychom vám nabídli lepší zážitek z prohlížení, analyzovali návštěvnost webu a přizpůsobili obsah. Používáním tohoto webu souhlasíte s naším používáním souborů cookie. Zásady ochrany osobních údajů
    Odmítnout Přijmout